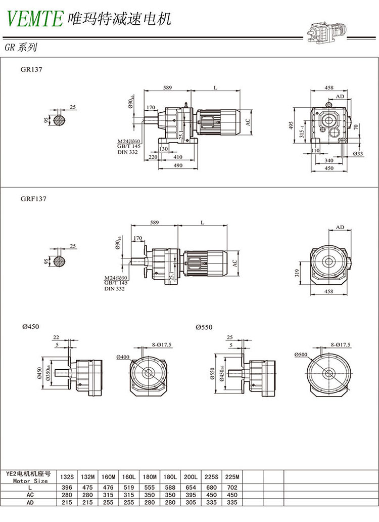
以下是DLR08斜齒輪減速機以及DLRF08立式齒輪減速機的型號以及具體的安裝尺寸圖紙
| DLR08DM132S | DLRF08DM200L | DLRF08DM132S |
| DLR08DM132M | DLRF08DM225S | DLRF08DM132M |
| DLR08DM132L | DLRF08DM225M | 臥式減速機 |
| DLR08DM160M | DLRF08DM250M | DLRF08DM160M |
| 齒輪減速機 | DLR08DM225S | DLRF08DM160L |
| DLR08DM180M | DLR08DM225M | DLRF08DM180M |
| DLR08DM180L | DLR08DM250M | DLRF08DM180L |
| DLR08DM200L | DLR08DM160L | DLRF08DM132L |
下一篇:DLR09系列斜齒輪減速機型號上一篇:DLR08X系列齒輪減速機型號
此文關(guān)鍵字:DLR08齒輪減速機系列型號
















